13635733727
公告:
程力专用汽车股份有限公司销售二十四分公司
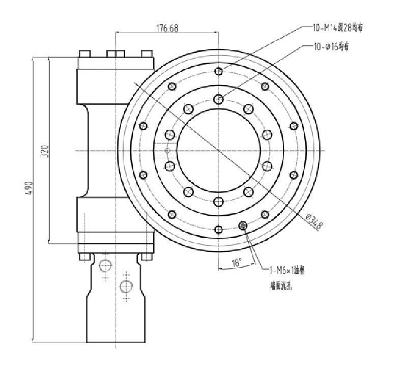
您的位置:首页 > 新闻资讯 > 产品知识 > HZ224C-1.R.200.00随车吊回转支承
联系我们

程力专用汽车股份有限公司销售二十四分公司

销售经理:蒋经理
手机号码:13635733727
座机传真:0722-3801686
电子邮箱:cljtyx@163.com
官方网址:www.clz7.com
公司地址:湖北省随州市南郊平原岗程力汽车工业园

HZ224C-1.R.200.00随车吊回转支承

发布时间:2019-06-19人气:878

HZ224C-1.R.200.00随车吊回转支承

专业生产随车吊,及整车 ,销售专用配件,138 8688 7769

推荐资讯

13635733727
"
13635733727 (微信同号)
"