13635733727
公告:
东风双排座沥青洒布车
东风多利卡国六沥青洒布车
重汽10吨智能沥青洒布车
700P五十铃电源车
江铃电源车
东风多利卡清障车
东风多利卡饲料运输车
东风小多利卡高空作业车
五十铃高空作业车
网站首页
关于我们
公司简介
生产实力
资质荣誉
企业文化
产品中心
沥青洒布车
东风系列
重汽系列
沥青洒布车配件
电源车
五十铃系列
东风系列
江铃系列
发电机组
电源车配件
道路清障车
东风系列
五十铃系列
江淮系列
福田系列
解放系列
清障车配件
散装饲料运输车
东风系列
福田牌系列
解放牌系列
高空作业车
东风系列
五十铃系列
江淮牌系列
江铃系列
重汽系列
解放牌系列
公司新闻
技术资料
产品知识
售后服务
订车流程
联系我们
您的位置:
首页
>
新闻资讯
>
技术资料
>
新闻资讯
公司新闻
技术资料
产品知识
推荐产品
东风双排座沥..
东风多利卡国..
重汽10吨智能..
700P五十铃电..
江铃电源车..
东风多利卡清..
东风多利卡饲..
东风小多利卡..
联系我们
程力专用汽车股份有限公司销售二十四分公司
销售经理:
蒋经理
手机号码:
13635733727
座机传真:0722-3801686
电子邮箱:cljtyx@163.com
官方网址:
www.clz7.com
公司地址:湖北省随州市南郊平原岗程力汽车工业园
程力沥青洒布车气缸
时间:2021-08-31
浏览量:531
浙江美通沥青洒布车气缸
时间:2021-08-31
浏览量:482
沥青洒布车副变速箱
时间:2021-08-30
浏览量:495
65QZ40/50水泵安装尺寸示意图
时间:2021-07-28
浏览量:519
卧式全功率分动取力器
时间:2021-07-23
浏览量:509
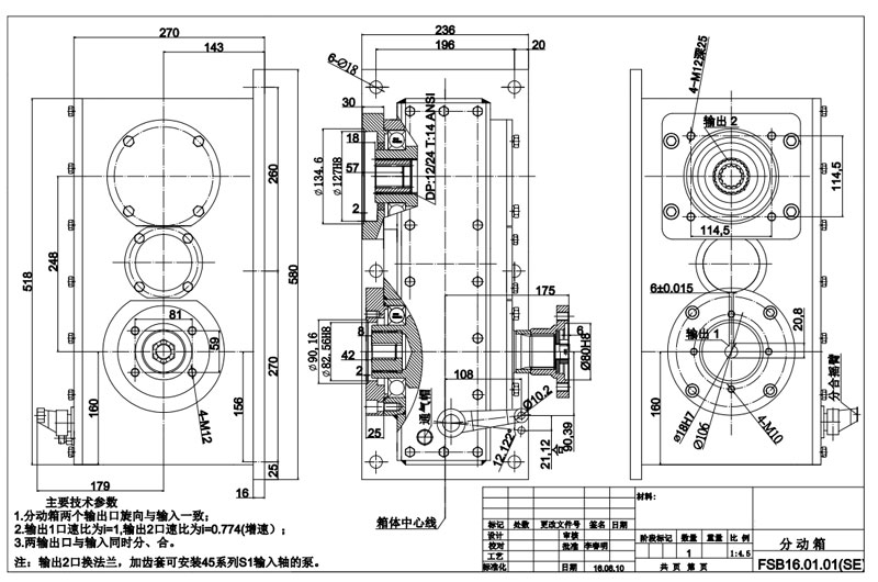
沥青洒布车分动器
时间:2021-07-08
浏览量:526
首页
上一页
1
2
...
3
4
5
...
25
26
下一页
尾页
26/152
推荐资讯
2023-07-21
达刚沥青车稀浆封层车取力器样式..
2023-07-21
沥青洒布车取力器QSC800系列
2023-05-26
达刚沥青洒布车液压油泵
2022-06-09
程力沥青洒布车气缸
2022-06-09
西安达刚沥青洒布车气缸
2022-06-02
陕汽德龙智能沥青洒布车
2022-05-25
程力沥青洒布车配件
2022-05-25
西安达刚同步碎石封层车分动器..
2022-04-28
TRI-ROTOR沥青泵
2022-04-28
进口沥青泵
2022-04-27
J6219-80BV
2022-04-27
沥青洒布车沥青泵
2022-04-27
中交西安筑路稀浆封层车沥青泵..
2022-03-31
山东菏泽路达沥青洒布车取力器..
2022-03-31
沥青洒布车气缸喷嘴生产
2022-02-18
电液比例溢流调速阀
Copyright©程力专用汽车股份有限公司 All Rights Reserved (2016-2017) 版权所有 复制必究 郑重声明:版权所有,未经书面授权禁止使用 备案号:
鄂ICP备18022110号-63
技术支持:
知晓哥
|
13635733727
微信二维码
"
13635733727
(微信同号)
"